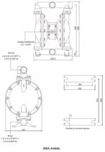
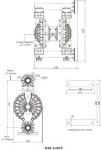
Характеристики BSK BA40PP/BA40AL/BA40CS/BA40SS
Вход воздуха ½ — 14NPTF-1
Вход/выход жидкости 1½ʺ Фланец, 1½ʺ NPTF, 1½ʺ BSP
Максимальная производительность 396 л/мин
Максимальный подъём жидкости 70 м
Максимальная высота сухого всасывания 6.7 м
Максимальное рабочее давление воздуха 8,3 бар
Максимальный диаметр твёрдых частиц 6 мм
Материалы корпуса Полипропилен (PP) Алюминий (AL) Углеродистая сталь (CS) Нержавеющая сталь (SS)
Габаритные размеры, мм 635×449×304 351×498×301 343×498×301 343×498×301
Вес, кг 19 18 30 30
Уровень шума <75 Дб
